PCB

Metamaterialele sunt medii de propagare cu proprietati speciale si domenii de aplicare in domeniul microundelor (2 GHz – 30 GHz), al undelor milimetrice (30 GHz – 300 GHz) si submilimetrice (> 300 GHz).
 


romana


english

 

 

REZULTATE
 
Etapa I

Studii si analize privind geometriile de structuri de dispozitive pe metamateriale pentru frecvente in domeniul undelor milimetrice

-Tipuri de circuite pentru unde milimetrice realizate pe baza liniilor CRLH-

<< Previous

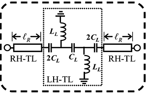
Fig 32

Circuitul echivalent a unui DB CRLH TL utilizand chipuri capacitive in sectiunea LH si linii microstrip in sectiunea RH. Cele doua frecvente de operare au fost f1 = 0.88 GHz  si  f2 = 1.67 GHz.

Next >>