PCB

Metamaterialele sunt medii de propagare cu proprietati speciale si domenii de aplicare in domeniul microundelor (2 GHz – 30 GHz), al undelor milimetrice (30 GHz – 300 GHz) si submilimetrice (> 300 GHz).
 


romana


english

 

 

REZULTATE
 
Etapa I

Studii si analize privind geometriile de structuri de dispozitive pe metamateriale pentru frecvente in domeniul undelor milimetrice

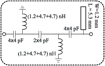
-Tipuri de circuite pentru unde milimetrice realizate pe baza liniilor CRLH-

<< Previous

Fig 351

(a)

Fig 352

(b)

Aranjamente CRLH amplasate pe tronsoanele de linii in l/4 utilizate pentru obtinerea unui cuplor hibrid in cuadratura

Next >>