|
| RESEARCH AREAS |
| |
| |
Transport in Microfluidic Devices |
|
- Rotary Microviscosimeter |
| |
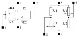
The microfluidic device incorporates a sampling, dispensing and delivering system for magnetic marked biomolecules or with intrinsic magnetic properties, and it consists of two main modules. The first module contains: a rotary viscosimeter, for viscosity measurements and microchannels with input and output reservoirs for fluid transport. The second module is the detection and measurement magnetoelectronic system consisting of a double Wheatstone bridge with four sensing GMR resistors and four reference shielded GMR resistors. This magnetic microsystem could detect the presence of bioparticles or microbeads. These microdevices enjoy the advantage of being compatible with silicon IC fabrication technology. It is possible to build an array of GMR sensing elements that can simultaneously tests multiple biological molecules. The originality consists of extracting information regarding molecular interactions and rheological properties of the biological non – Newtonian fluids from a single microsystem.
The measurement principle of the viscosity of biological fluids is based on the detection of the rotation of a polysilicon wheel. The wheel have an external diameter of 100 μm and 3 μm thickness. The micromachining process combines the undercut and refill technique with pin-joint bearing permitting the fabrication of bushings that were used to elevate the rotor away from the silicon surface. The testing of the microfluidic dynamic system was performed using an electromagnetic micropump and a magnetic controller. The measuring system is an electro-mechanic momentum changing device, based on the relative rotation of the gear wheel coupled with the rally axis. A dynamometer, tied in a bridge with a potentiometer, measures the relative rotation such that the signal obtained is proportional with the momentum which acts on the indicator. Switching to different positions on the dynamometer allows us to change the torque. For each experimental point, we calculated the geometric mean shearing stress Fg and plotted the values of angular velocity, ω, against ln M. The true shear rate corresponding to Fg is then obtain using Krieger and Elrod formula.
Concentrated slurry in a Newtonian liquid may exhibit Bingham properties. The non-linear flow curves observed for the two fluids can be explained by interaction between particles, interaction with the continuous phase, and particle deformation. The rate of shear at the rotor is determined for the straight portion of the flow curve. The shear rate is plotted against the shear stress at the rotor from the measured torque. The slope of this plot is ηB, by definition.
|
|
SEM images Microchannels with input and output reservoirs for fluid transport |
|
The microviscosimeter and the double Wheatstone bridge with four sensing GMR resistors and four reference shielded GMR resistors, for viscosity measurements |
The device was successfully tested to investigate the changes of fluids flow (blood, plasma, serum) induced by certain diseases (gastroenterology and cardiovascular). First determinations of density and viscosity of plasma and blood serum treated with anticoagulants for microfluidic system calibration have been made. Then the determination of density and viscosity of blood was made for the two pathological groups: gastroenterology and cardiovascular. Blood samples of gastroenterology have been divided into two parts, one part of blood was treated with EDTA anticoagulant and the other one was treated with heparin. Samples collected from patients with cardiovascular diseases were treated with EDTA before rheology experiments. Ten determinations were made for each liquid (serum, plasma and blood) to check the system and averages. The results can be found in the following table:
|
Density (Kg/m3) |
Viscosity (cP) |
DI water |
1000 |
1 |
serum |
1024 |
1.660 |
plasma |
1027 |
2.380 |
blood |
1060 |
3.981 |
In the Table below there are the blood viscosity results obtained from the blood collected from patients with cardiovascular disease are presented. The blood was treated with EDTA immediately after harvest (A), blood collected on EDTA from patients with gastroenterological diseases (B), blood collected on heparin from patients with gastroenterological diseases (C).
Viscosity –A- |
Viscosity –B- |
Viscosity –C- |
1,768 |
2,153 |
1,735 |
2,608 |
1, 835 |
1, 953 |
1,762 |
1, 960 |
1,727 |
1,809 |
2,520 |
1,708 |
1,392 |
1, 977 |
1,734 |
1,341 |
2,428 |
2,015 |
1,543 |
2,349 |
1,823 |
1,583 |
2,488 |
1, 807 |
2,918 |
3,435 |
1,825 |
2,832 |
2,155 |
1, 982 |
|
|
|
| - Magnetophoretic system for the detection of magnetic marked molecules |
| |
Short description: Over the past two years, magnetophoresis in microsystems has rapidly developed into a powerful bioanalysis instrument. The magnetophoresis is the process which induces movement to magnetic particles suspended in a fluid. It is a non-destructive method to collect and separate specific magnetic particles. Most biological samples are not affected by magnetic fields, thus allowing specific cells or molecules to be marked with superparamagnetic particles.
The magnetophoretic system can be used for separation of red blood cells, and white blood cells, which exhibit magnetic properties.
Our magnetophoretic detection system is made of a double Wheatstone bridge, with built in giant magnetoresistors. The 8 resistors are split into sensitive and reference resistors.
|
Layout of the magnetophoretic device, 6 overlapping photolithograhic masks |
|
Connection mode of the two bridges; the arrows denote the light magnetisation axis |
Results: The system can be used to measure the velocity of fluids flowing through microchannels, and can also help for the detection of turbulences appearing in different flow regimes.
The system is made of a series of resistors, buried under the bottom of the microchannel. The working principle is based on heat dissipated from the resistors. The ammount of heat dissipated is proportional to the electrical resistance, as a fluid flows faster a larger amount of heat is dissipated.
The system contains 18 resistors placed at a distance from one-another as such the whole microchannel area is covered. Two more resistors are placed outside the area of interest. these two are used as reference resistors.
The electric system is based on a Wheatstone bridge. The reference resistors and sensing resistors are connected in order to obtain an imbalance in the bridge when turbulances are detected.
|
Layout of a sensing/reference resistor |
|
|
| |
|
| |
- Active magnetophoretic system for cell separation by means of magnetic fields |
| |
Short description: The magnetophoretic system is made of two conductive wires fabricated in a V shape, overlapping one-another. The first wire is fabricated on the bottom of a microchannel, and the second wire is fabricated on top. These are aligned one to the other during the encapsulation process. The wires are assembled this way in order to obtain a maximum magnetic field gradient in the middle of the channel. A capacitive senzor is placed at the input and output of the channel, for cell detection. When a cell passes through, the senzor sends an electrical signal.
The voltage through the two conductive wires is applied in such a way that the generated magnetic field is amplified. A group of paramagnetic cells will be drawn towards the middle of the channel and will move to the output driven by the magnetic field.
 |
|
Five photolitographic masks overlay |
Detail: Metal mask for V shaped wires and capacitive sensors |
|
|
| |
|
| |
- Filter for the separation of microparticles with different morpohological, electrical and magnetic properties |
| |
Short description: The proposed filter consists of integrating different modules for separation depending on morphological, electrical and magnetic properties.
Figure 6 shows the general layout of the integrated filter. The fluid containing microparticles is introduced through the lower inlet. The first filter is placed at the narrowing of the channel. In this area, the separation is performed using pillars with varying spacing, which will allow only specific sized microparticles to flow further, the larger ones being deflected towards the first outlet. A second filtering is performed in the curved section of the filter. The smallest particles follow the inner most trajectory, while larger particles are deflectet towards the outer trajectories. The separated microparticles flow in dielectrophoretic or magnetophoretic filters placed before the outlets, for separation depending on electrical and magnetic properties.
 |
|
General layout of the integrated filter |
The pillar filter, morphological separation |
 |
|
Dielectrophoresis electrodes placed within the microchannel
|
Detail of the dielectrophoresis electrodes
|
|
|
| |
|
| |
- Detail of the dielectrophoresis electrodes |
| |
Short description: An example of numeric investigation regarding the transport in microfluidic devices is the phenomenological modeling of a nanoparticles separation device consisting of spiral geometry. The figure below presents a 3D model of the geometry with a detail on the structured discretization of the computational domain with 758540 hexaedral finite elements.
|
The 3D model of spiral microchannel with one input and three outputs, with a detail of the structured discretization of the computational domain |
Results: The figures below present the velocity distribution and the differentiation of the nanoparticles trajectories depending on the injecting velocity in the microchannel.
One can notice the tendency of the particles displacement towards the outer wall varying with the increase or decrease of the injecting velocity. Therefore the centrifugal forces increase and the majority of the particles is expelled through the output O3.
|
Velocity distribution for the spiral microchannel with the input velocity v = 0,1 m/s. |
|
Particle trajectory distributions with d = 1 um injected in the spiral microchannel with one input and three outputs, for the input velocities: a) v = 0,01 m/s; b) v = 0,1 m/s; c) v = 1 m/s. |
|
|
|
|
|
|
|
| |
|
|
|
HOME |
 |
Last update:
March, 2012 |
|